Глава 9. Проводная радиосеть. Радиотрансляционная сеть. Абонентские и фидерные линии

Часто задаваемый вопрос: Подскажите для чего нужны фидерные линии и можно ли обойтись без них?

Проводная радиосеть. Радиотрансляционная сеть. Абонентские и фидерные линии. 

Система линий вместе с абонентскими вводами и радиоточками, служащая для передачи вещания от станционной части радиоузла к абонентам, называется радиотрансляционной сетью.

Линии бывают абонентские и фидерные. Абонентской линией называется такая линия, к которой абонентские громкоговорители подключены непосредственно с помощью абонентских вводов — как показано на схеме абонентской линии с радиоточками.

Схема абонентской линии с радиоточками 

Схема абонентской линии с радиоточками

Где:
1 — станционная часть радиоузла; 2 — вводные провода;
3 — абонентские громкоговорители; 4 — абонентская линия.

Как видим, абонентские громкоговорители включаются в оба провода абонентской линии, которая получает питание от усилителя радиотрансляционного узла. Громкоговорители будут работать только в том случае, если цепь для электрического тока звуковых частот замкнута. Если один провод абонентского ввода оборвётся, то громкоговритель перестанет работать. Поэтому необходимо следить за исправностью электрической цепи.

Абонентские громкоговорители, применяемые на надиотрансляционных сетях, в соответствии с требованиями российских стандартов, для нормальной работы используют напряжение 30 В. Поэтому на вход абонентской линии и подаётся 30 В. Если напряжение в линии менее 30 В, абонентские громкоговрителизвучат тише, если же напряжение в линии больше 30 В, то звучание будет слишком громким и может сопровождаться искажением звука.

По мере удаления от станционной части радиоузла напряжение в линии обычно будет уменьшаться. Это явление называют затуханием напряжения в линии. Величина затухания в основном зависит от длины линии, количества включённых громкоговорителей, диамитра и материала провода линии (затухание будет тем больше, чем длиннее линия, чем больше включено громкоговорителей и чем тоньше провода линии). В правильно рассчитанной абонентской линии, имеющей в начале напряжение 30 В, напряжение в конце должно быть не меньше 19 В.

Чтобы не привыситьнормального затухания напряжения в линии, в неё можно включать лишь определённое количество абонентских громкоговорителей, а именно:

Далее будут цифры...

При включении в сеть абонентских громкоговорителей различных типов — норма снижается в два раза.

На практике часто бывают случаи, когда к абонентской линии требуется подключить радиоточек больше, чем допускается по норме, или требуется радиофицировать несколько групп (направлений) абонентских линий, удаленных от радиоузла на значительное расстояние. Если перегрузить одну абонентскую линию, то затухание увеличиться, напряжение в конце линии сильно упадёт и абонентские громкоговорители будут звучать тише. Такой же результат будет и в том случае, если абонентская линия будет слишком длинной.

Для радиофикации удалённых от радиоузла объектов или раздачи на несколько групп абонентских линий существуют фидерные линии. Они отличаются, прежде всего напряжением 120 В. Они присоединяются к выходу 120 В усилительной аппаратуры радиоузла, а в месте их подключения к абонентским линиям устанавливается понижающий трансформатор типа ТАМУ, который и понижает напряжение с 120 В до необходимых 30 В.

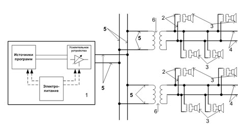
Схема радиотрансляционной сети с фидерными линиями 

Схема радиотрансляционной сети с фидерными линиями

Где:
1 — станционная часть радиоузла; 2 — вводные провода;
3 — абонентские громкоговорители; 4 — абонентская линия;
5 —  фидерная линия; 6 — понижающий фидерный трансформатор.

Как видно из схемы, абонентские громкоговорители непосредственно в фидерную линию не подключаются, они присоединяются к абонентским линиям. Абонентские же линии подключаются к фидерной линии через понижающие трансформаторы чтобы снизить напряжение фидера до 30 В. Они устанавливаются обычно на удаленном конце фидерной линии в щитках подключения абонентских линий.


Реклама спонсоров: 

 

Реклама спонсоров Специальное Конструкторское Бюро РАСТР

Кликнешь на ссылку — поможешь проекту. А чего? Чай палец не отвалится-жешь, а глядишь — статьи будут чаще выходить. Спасибо!

Служебные

 
Рейтинг@Mail.ru   Радиоузлы  

Глобальные вопросы

FAQ Глобальные вопросы человечества

Тираж 1997 экз. Ручная верстка. Отпечатано для интернет-эксплорера. Поддержка от «Сарафанного радио». 920 8948377 | редакция