Тут содержится важная информация, необходимая для правильной и безопасной эксплуатации трансляционного микшер-усилителя РУШ 5М и трансляционного устройства ТУ 201.
В связи с непрерывно проводимыми работами по улучшению качества и технического уровня микшер-усилителя РУШ 5М и трансляционного устройства ТУ 201 возможны некоторые отличия его от материалов настоящего ТО.
Перед включением РУШ 5М/ТУ 201 к сети электропитания, к источникам программ и нагрузке, внимательно ознакомьтесь с расположением и назначением органов управления, коммутации и подключения к внешним устройствам.
Во избежание поражения электротоком не снимайте кожух (верхнюю стенку) прибора. Внутри корпуса отсутствуют какие-либо регулировки, доступные пользователю.
Во избежание поражения электротоком не подвергайте аппарат воздействию дождя или влаги.
Перед началом эксплуатации внимательно изучите все указания по безопасности и настоящее Руководство.
Необходимо строго соблюдать все инструкции, приведенные в данном Руководстве.
Вода и влага:
Запрещается эксплуатация РУШ 5М/ТУ 201 вблизи воды (например, около раковин, моек, емкостей для стирки, в сырых подвальных помещениях или вблизи плавательных бассейнов).
Вентиляция:
РУШ 5М/ТУ 201 следует устанавливать таким образом, чтобы обеспечить надлежащую естественную вентиляцию.
Запрещается устанавливать РУШ 5М/ТУ 201 на диваны, прикроватные коврики или тому подобные поверхности – это может привести к блокированию вентиляционных отверстий.
Запрещается устанавливать РУШ 5М/ТУ 201 в мебельные ниши, книжные шкафы или на полки в условиях, не обеспечивающих надлежащую вентиляцию.
Источники тепла:
РУШ 5М/ТУ 201 должен располагаться вдали от источников тепла - радиаторов, отопительных батарей, кухонных плит или иных приборов, (включая усилители мощности), для которых характерно выделение тепла.
Электропитание:
РУШ 5М/ТУ 201 следует подключать к электрической сети с напряжением 220 В и частотой 50 Гц.
Заземление:
Необходимо принять меры к обеспечению сохранности заземления.
Защита сетевого шнура:
Сетевой шнур должен быть проложен таким образом, чтобы исключить хождение по нему или возможность перегибов и/или защемления посторонними предметами. Особое внимание следует обратить на состояние шнура питания, а также его разъема, в точке подключения к устройству.
Чистка:
РУШ 5М/ТУ 201 следует чистить исключительно средствами, рекомендованными изготовителем.
Перерывы в эксплуатации:
При длительных перерывах в эксплуатации необходимо вынуть вилку шнура из сетевой розетки.
Попадание внутрь посторонних предметов и жидкостей:
Необходимо соблюдать осторожность, чтобы не допустить попадания через отверстия внутрь корпуса прибора посторонних предметов и жидкостей.
Повреждения, требующие квалифицированного вмешательства:
РУШ 5М/ТУ 201 должен быть направлен на осмотр квалифицированными техническими специалистами в следующих случаях:
Техническое обслуживание:
Техническое обслуживание прибора пользователем должно осуществляться исключительно в пределах, оговоренных в Руководстве по эксплуатации. Во всех иных случаях обслуживание изделия должно поручаться квалифицированным техническим специалистам.
Ваш РУШ 5М/ТУ 201 тщательно упакован на фабрике так, чтобы защитить прибор от грубого обращения. Тем не менее, мы рекомендуем тщательно осмотреть коробку и ее содержимое на предмет обнаружения физических повреждений при транспортировке.
Если прибор поврежден, немедленно известите продавца, в противном случае Ваши претензии могут быть не удовлетворены.
Вначале кратко описываются органы управления, коммутации и подключения к внешним устройствам, благодаря чему Вы сможете полностью понять функции РУШ 5М/ТУ 201. Пожалуйста, внимательно изучите данное руководство и сохраните его для дальнейших справок.
На передней панели расположены следующие органы управления, коммутации и подключения к внешним устройствам (показаны в «рабочем положении» слева на право):

Рассмотрим более подробно назначение органов управления, коммутации и подключения к внешним устройствам, расположенных на передней панели.
Сетевой выключатель микшер-усилителя РУШ 5М/ТУ 201 — «Сеть» предназначен для включения электропитания 220 В.
Внимание! Перед его включением убедитесь, что включено электропитание на всех подключенных внешних устройствах.
Индикатор горит, когда выключатель питания «Сеть» включен.
При «каскадном» подключении нескольких РУШ 5М/ТУ 201 первым включаете «ведущий», затем «ведомые» по цепочке.
ПРИМЕЧАНИЕ:
Чтобы избежать любого громкого неожиданного шума из динамиков, сначала включите питание устройств — звуковых источников, а затем другие устройства в порядке их расположения (начиная самого близкого). Перед подключением электропитания входных устройств к РУШ 5М/ТУ 201, убедитесь, что все эти устройства (включая микрофоны) были выключены. Также перед включением или выключением питания на любом устройстве, убедитесь, что установили на минимум выходной уровень данного устройства.
Регулятор чувствительности входа микрофон 1 (1), регуляторы чувствительности универсальных входов 2, 3 (2 - 3) микшер-усилителя РУШ 5М/ТУ 201 предназначены для регулировки уровня входных сигналов.
На рисунке регуляторы в «начальном» положении. Чтобы обеспечить
оптимальный баланс между соотношением «сигнал-шум» и
динамическим диапазоном, отрегулируйте уровень сигнала этими регуляторами
так, чтобы на выходе (на контрольном громкоговорителе) сигнал на слух ото всех источников был одинаков.
Используйте эти регуляторы для установки баланса громкости между различными источниками. Для уменьшения шума установите в крайнее левое (как на рисунке) положение регуляторы неиспользуемых входных каналов.
Регулятор чувствительности входа микрофон 1, служит для регулировки уровня входного сигнала, но аа общий уровень сигнала влияют также установки регуляторов тембра НЧ и ВЧ. Рекомендуем сперва настроить регуляторы тембра НЧ и ВЧ, а затем установить уровень при помощи регулятора чувствительности входа.
Секция, относящаяся к микрофонному усилителю (входу) 1.
Секция микрофонного входа состоит из (сверху вниз):
Регулятора чувствительности входа, предназначеного для регулировки уровня входного сигнала. Регулятор показан в рекомендуемом рабочем положении, достаточным для большинства динамических микрофонов, например МД 882.
Выключателя микрофонного входа, предназначенного для включения/отключения микрофона в процессе работы. Переключатель изображён в положении выключено.
Входного разъема микрофон 1, предназначенного для подключения внешнего микрофона. Микрофонный вход 1 имеет «приоритет» над входами 2, 3, то есть с появлением сигнала на входе 1 автоматически ослабляются сигналы входов 2, 3.
ПРИМЕЧАНИЕ:
В целях повышения помехоустойчивости микрофонные входы 1, 2, 3 и вход «ТЛФ» построены по электронно-симметричной схеме и сигнал на них должен подаваться через разъём типа JACK-STEREO (как на рисунке). В отдельных случаях микрофон можно подключать несимметрично (разъём JACK-MONO). Подробнее о разъёмах TRS по адресу: http://schoolradio.ksys.ru
На рисунке показан сбалансированный линейный вход штекерного типа (TRS), где:
(T: горячий, R: холодный, S: земля) типа.
Через него можно подавать как сбалансированный, так и или несбалансированный входной сигнал.
Настоятельно рекомендуем использовать для коммутации высококачественные кабели и разъемы. Некачественные кабели и разъемы не смогут обеспечить надлежащего звучания и защиты от коррозии.
Никогда не подключайте источники линейного сигнала к этому входу. Напряжение на выходе микрофона измеряется милливольтами. А линейные сигналы CD, MD проигрывателей, а также кассетников – вольтами (по магнитуде). Т. о., напряжение линейного сигнала в 100 раз выше, чем способен «переварить» предусилитель входа 1!
Секция, относящаяся к микрофонному/линейному усилителю (входу) 2.
Секция универсального (микрофонного/линейного) входа состоит из (сверху вниз):
Регулятора чувствительности входа, предназначеного для регулировки уровня входного сигнала. На рисунке показан в рекомендуемом рабочем положении.
Переключатель чувствительности микрофонного/линейного входа, предназначенного для переключения назначения входа (микрофон/линия) в процессе работы. На рисунке показан в положении линейного входа.
Переключение селектора чувствительности микрофонного/линейного входа может вызвать резкое изменение громкости. Мы рекомендуем не менять эту установку при наличии сигнала.
Входного разъема универсального входа 2, предназначенного для подключения внешнего микрофона или линейного источника сигналов. В целях повышения помехоустойчивости этот вход также построен по электронно-симметричной схеме и сигнал на него желательно подавать через разъём типа JACK-STEREO. Линейный источник можно подключать несимметрично (разъём JACK-MONO).
Никогда не подключайте источники линейного сигнала к этому входу в положении микрофон. Напряжение на выходе микрофона измеряется милливольтами. А линейные сигналы CD, MD проигрывателей, а также кассетников – вольтами (по магнитуде). Т. о., напряжение линейного сигнала в 100 раз выше, чем способен «переварить» микрофонный предусилитель микрофонного входа 2!
Секция, относящаяся к микрофонному/линейному усилителю (входу) 3.
Секция универсального (микрофонного/линейного) входа состоит из (сверху вниз):
Регулятора чувствительности входа, предназначеного для регулировки уровня входного сигнала. На рисунке показан в рекомендуемом рабочем положении.
Входного разъема универсального входа 3 (продублирован на задней панели), предназначенного для подключения внешнего микрофона или линейного источника сигналов. В целях повышения помехоустойчивости этот вход также построен по электронно-симметричной схеме и сигнал на него желательно подавать через разъём типаJACK-STEREO. Линейный источник можно подключать несимметрично (разъём JACK-MONO).
Никогда не подключайте источники линейного сигнала к этому входу в положении микрофон. Напряжение на выходе микрофона измеряется милливольтами. А линейные сигналы CD, MD проигрывателей, а также кассетников – вольтами (по магнитуде). Т. о., напряжение линейного сигнала в 100 раз выше, чем способен «переварить» микрофонный предусилитель микрофонного входа 3!
Переключатель чувствительности микрофонного/линейного входа, предназначенного для переключения назначения входа (микрофон/линия) в процессе работы. На рисунке показан в положении линейного входа.
Переключение селектора чувствительности микрофонного/линейного входа может вызвать резкое изменение громкости. Мы рекомендуем не менять эту установку при наличии сигнала.
Регуляторы тембра НЧ и ВЧ.
Этими регуляторами «ТЕМБР/ВЧ» и «ТЕМБР/НЧ» можно произвести требуемую коррекцию амплитудно-частотной характеристики РУШ 5М/ТУ 201.
Установка регулятора в позицию «как на рисунке»
пропускает сигнал без частотной обработки. Поворот регулятора вправо увеличивает соответствующую частотную полосу, а поворот влево уменьшает ее.
Как их использовать? В основном, чем меньше, тем лучше.
Существует много ситуаций, когда необходимо ослабить определенные частотные диапазоны, но старайтесь, как можно реже пользоваться усилением частот.
При правильном использовании регулировки тембра можно избежать взаимных помех различных источников в миксе и улучшить общее звучание. Неудачные регулировки тембра (обычно неудачное усиление частот) приводят к ужасному звучанию.
Будьте внимательны при усилении частот. Для создания специального или необычного эффекта можно использовать значительное усиление частот. Но если нужен микс (трансляция) с хорошим звучанием, пользуйтесь этой функцией очень осторожно. Небольшое усиление средних частот («завал» на НЧ и ВЧ) придает вокалу больший «эффект присутствия», а усилив высокие частоты, можно добиться более «воздушного» звучания определенных инструментов. После усиления обязательно прослушайте результат, и, если страдает чистота звука, лучше обрежьте частоты, «загромождающие» микс (трансляцию), а не усиливайте их. Слишком большое усиление частот может привести к чрезмерному усилению сигнала, создавая дополнительные помехи и потенциальную опасность перегрузки в цепи сигнала.
Кнопка включения сигнала «гонг»
Кнопка включения сигнала «гонг» осуществляет возможность подачи звукового сигнала «музыкальный гонг», служащего для привлечения внимания слушателей в момент трансляции.
Сигнал музыкального гонга имеет «приоритет» над всеми входами кроме «ТЛФ».
Регулятор уровня выходного сигнала микшер-усилителя
Самый оперативный (востребованный) регулятор. Основное назначение: регулировка уровня выходного, смикшированного сигнала.
Общий уровень громкости. Регулятор уровня выходного сигнала микшер-усилителя позволяет устанавливать уровень громкости для всех входных каналов одновременно. Регуляторы чувствительности входа позволяют устанавливать уровень громкости для каждого микрофонного или линейного входа индивидуально.
Мы хотели бы отметить, что высокие уровни громкости могут повредить Ваш слух, а также абонентские громкоговорители. Поэтому, пожалуйста, перед включением прибора поверните этот регулятор до упора влево (как на рисунке). При установке уровней громкости соблюдайте осторожность и руководствуйтесь здравым смыслом.
Индикатор уровня выходного сигнала и индикатор перегрузки
Индикатор перегрузки (защита) загорается, когда уровень выходного сигнала на
терминалах подключения трансляционных линий 1-4 («30/100/120 В») достигает максимального значения.
Работает лимитер. Индикатор указывает, что нагрузка на
усилитель слишком высока и есть риск повреждения оборудования и абонентских громкоговорителей. Уменьшите установку регулятора уровня выходного сигнала микшер-усилителя (повернув его против часовой стрелки) так, чтобы индикатор мигал
лишь изредка или вообще не загорался.
Индикатор уровня выходного сигнала позволяет не только контролировать наличие выходного сигнала и его уровень, но и оперативно его регулировать.
Суммарная выходная мощность РУШ 5М/ТУ 201 по всем выходам не более 200 Вт. Во избежание перегрузки выходных трансляционных линий внимательно следите за входными сигналами!!! Срабатывание индикатора перегрузки вызывается повышенными входными сигналами, или неправильно выбранными параметрами нагрузки выходных трансляционных линий.
Выключатель для активизации пульта типа ПС-9 или активного микрофона МД 610 и разъем подключения «ТЛФ» линии.
Вход «ТЛФ» подключен непосредственно к усилителю, имеет «приоритет» над всеми (1, 2, 3) входами и служит для передачи экстренных сообщений (возможна передача сообщений по телефонной линии).
На этот вход рекомендуется подключать сигнал от трансляционного устройства подачи школьных звонков ТУ 018.
Выключатель для активизации пульта показан на рисунке в положении включено.
В микшер-усилителе предусмотрена возможность подключения пульта связи типа ПС-9 или активного микрофона типа МД 610: кабелем СК 05-02 можно соединить вход «ТЛФ» усилителя с ТЛФ-розеткой, перевести переключатель «ТЛФ» в верхнее положение - «Вкл» (при этом подается напряжение +15 В по ТЛФ-линии для фантомного питания пульта ПС-9 или активного микрофона типа МД 610.
При передаче сообщения по телефону необходимо:
Разъём линейного выхода
Разъём линейного выхода
Линейный выход обеспечивает возможность записи и каскадного включения, что дает увеличение мощности и количества зон вещания. Для этого необходимо линейный выход первого усилителя соединить с одним из линейных входов — второго усилителя, далее линейный выход второго соединить с линейным входом третьего усилителя и т.д. При этом первый усилитель будет «ведущим» (его программа будет раздаваться всем) — остальные «ведомыми».
Внимание! Основной (ведущий) и дополнительные (ведомые) усилители работают не параллельно, а каждый на свою нагрузку.
Тумблеры подключения выходных линий 1 … 4
Тумблеры подключения выходных линий 1 … 4 на рисунке показаны в положении выключено.
Важно! Тумблер выключает всю секцию 30-100/120 В.
По этой причине изготовителем запрещено одновременное подключение двух шлейфов: 30 В и 100 В/120 В к одной выходной линии. Никогда не подключайте выходы 30/100/120 В в РУШ 5М/ТУ 201 на землю или параллельно между собой.
На любом коммутируемом «направлении» как 30 В, так и 100/120 В возможно подключене на один шлейф полной мощности усилителя (200 Вт). Нет необходимости в распределении нагрузки.
ВНИМАНИЕ! При возникновении короткого замыкания в любой трансляционной линии срабатывает схема защиты, отключающая РУШ 5М/ТУ 201 от всех выходов и тестирующая с частотой 0,5 - 1,0 Гц наличие короткого замыкания в линии. После отключения аварийной линии тумблером усилитель устройства автоматически восстанавливает прерванный режим работы.
Примечание:
Как увеличить число коммутируемых линий? Очень просто:
Схема внешнего коммутатора выходных линий.
В качестве выключателей линий 1 - N можно использовать типовой выключатель сети 220 В. В качестве коробок потключения можно использовать КРА-4 (ГОСТ 10040-75 Коробка распредилительная абонентная применяется в сети проводного вещания и предназначены для установки внутри помещений с целью ответвления проводки от сети к абонентам и ограничения в ней величины тока короткого замыкания) или УК-2П (см. ограничитель), или Блоки зажимов 5-ти,10-тиместные БЗ24-4П25-В/ВУЗ-5 и БЗ24-4П25-В/ВУЗ-10 (предназначены для присоединения и ответвления проводников из меди и алюминиевых сплавов в электрических цепях переменного тока напряжением от 6 до 660 В частоты 50 и 60 Гц Соответствуют требованиям ТУ 16-91) .
На задней панели расположены следующие органы коммутации и подключения к внешним устройствам (слева на право):

Рассмотрим более подробно назначение органов управления, коммутации и подключения к внешним устройствам, расположенных на задней панели.
Переключатель напряжения линии 100 В или 120 В

Переключатель напряжения линии 100 В или 120 В — предназначен для выбора выходного напряжения 120 В или 100 В.
На рисунке 1а переключатель находится в положении 100 В, а на рисунке 1б — в положении 120 В. Переключатель изменяет выходное напряжение на всех четырех терминалах одновременно.
Терминалы подключения трансляционных линий 1 … 4

Терминалы подключения трансляционных линий 1 … 4 служат для подключения выходных линий (шлейфов). Изготовителем запрещено одновременное подключение двух шлейфов: 30 В и 100 В/120 В к одной выходной линии.
На любом коммутируемом «направлении» как 30 В, так и 100/120 В возможно подключене на один шлейф полной мощности усилителя (200 Вт). Нет необходимости в распределении нагрузки. При подключении 100/120 В выхода не забывайте устанавливать «в разрыв» коробку подключения (ограничитель).
Никогда не подключайте выходы 30/100/120 В в РУШ 5М/ТУ 201 на землю или параллельно между собой.
Микшер-усилитель производит опасное для жизни выходное напряжение 100/120 В. Во избежание удара электрическим током не прикасайтесь к оголённым выходным проводам при работе усилителя.
ВНИМАНИЕ! Во избежание поражения электрическим током никогда не используйте кабель с отсутствующей или повреждённой изоляцией.
Разъём универсального входа 3 и разъём линейного входа
Разъём универсального входа 3 и разъём линейного входа (только для ТУ 201, в РУШ 5М на месте этих разъёмов заглушки) дублируют аналогичные разъёмы на передней панели.
Основное назначение: работа в составе ТУ 200 или ТУ 202.
Гнездо предохранителя
Гнездо предохранителя служит для установки предохранителя номиналом 2А, защищающего микшер-усилитель от перегрузок.
Важное замечание:
Если предохранитель перегорит, замените его на
предохранитель такого же типа и номинала (2А).
Если предохранитель снова перегорит вскоре после замены, то не заменяйте его, а
обратитесь в сервисный центр к квалифицированному специалисту.
Категорически запрещается использование плавких предохранителей на больший ток срабатывания.
Гнездо подключения питания 220 В 50 Гц
Гнездо подключения питания 220 В 50 Гц рпедставляет собой разъем для подключения шнура сетевого ШС 0502. Подключите
один конец шнура к этому разъему, а другой конец к сетевой розетке. Прежде, чем подключить РУШ 5М/ТУ 201 к электросети, убедитесь, что
указанное для него напряжение 220 В 50 Гц соответствует напряжению в Вашей электросети. Если необходимо
заменить плавкий предохранитель, убедитесь в соответствии его типа и номинала (2А).
Перед включением или выключением питания, убедитесь, что все регуляторы уровней в крайнем левом положении.
Клемма заземления
Клемма заземления представляет собой винт заземления. Для максимальной безопасности, необходимо надежно заземлить РУШ 5М/РУ 201.
Кабель питания оснащен штепселем с тремя контактами, заземляющими прибор, когда штепсель вставлен в соответственно заземленную розетку питания с тремя контактами.
Если сетевая розетка не заземлена, заземлите прибор, используя этот винт заземления.
Правильное заземление эффективно устраняет шумовые помехи и интерференцию.
Пожалуйста, убедитесь что напряжение электропитания соответствует 220 В 50 Гц.
Убедитесь, что сетевой выключатель микшер-усилителя «Сеть» находится в положении выключено, если нет, то переведите его в это положение. Все коммутационные работы производите при выключенном питании.
Чтобы избежать резких перегрузок, способных повредить громкоговорители, включайте микшер-усилитель в последнюю очередь.
При включении микшер-усилителя сигнал должен отсутствовать.
Кроме того, перед включением системы рекомендуется установить все регуляторы громкости на «ноль» (в крайнее левое положение). Следование этим мерам предосторожности избавит Вас от неприятных и опасных сюрпризов.
Перед подключением источников программ (входных устройств) к РУШ 5М/ТУ 201, убедитесь, что все эти устройства (включая микрофоны) выключены. Также перед включением или выключением питания на любом устройстве, убедитесь, что установили на минимум громкость (уровень выходного сигнала) данного устройства.
Классические системы радиотрансляции — монофонические, а основные линейные источники (компьютер, CD и MP3-плееры, тюнеры) — стереофонические. Таким образом, сначала следует сформировать из стерео-сигнала источника входной моно-сигнал.
При моно записи звуки записываются при помощи одного микрофона и воспроизводятся из одного источника. При этом информация о пространственном расположении источников звука теряется. Слушатель воспринимает всю воспроизводимую звуковую картину исходящей из одной точки.
В системе стерео звук записывается при помощи двух микрофонов, причем сигналы записываются отдельно друг от друга, и в совокупности несут информацию о пространственном расположении и перемещении записываемых источников звука. Все записанные каналы сводятся звукооператором в два канала.
Если мы будем воспроизводить только один из стерео-каналов, то часть информации мы потеряем.
Надо осуществить сложение левого и правого каналов, как показано на рисунке. Резисторы (сопротивление резисторов не менее 47-100 кОм каждый, в противном случае будет связь между левым и правым каналом — сопротивление между каналами должно быть соизмеримо с выходным сопротивлением источника) нужны для того, чтобы каналы были развязаны друг от друга (нельзя же просто их в кучу), с каждого резистора получим сигналы, которые в итоге складываются.
Получаем общий канал, в котором содержатся сигналы с обоих каналов.
Существуют специальные «фабричные» кабели, содержащие суммирующие резисторы и преобразующие стерео-сигнал в моно-сигнал. Например соединительный кабель СК 05021 (с «согласующими» резисторами).
Источник имеет разъем mini-Jack стерео (или PIN стерео), а трансляционное устройство 1/4" Jack mono. Для этого необходим соединительный кабель СК 05021 (Jack mono - miniJack stereo) с «согласующими» резисторами — необходим кабель как на рисунке ниже.
Провод «экранированный», лучше — КММ 2.

Переходной соединительный кабель СК 05021.
Для решения вопроса преобразования сигналов можно воспользоваться готовыми изделиями СК 05021 или самому их изготовить в нужном количестве.
В источнике программ РУШ 650 И/ТУ 50И всё это (превращение стересигнала в моно) уже проделано аппаратно. Посему РУШ 650 И/ТУ 50И необходимо соединять с РУШ 5М/ТУ 201 штатным соединительным кабелем СК 0502.
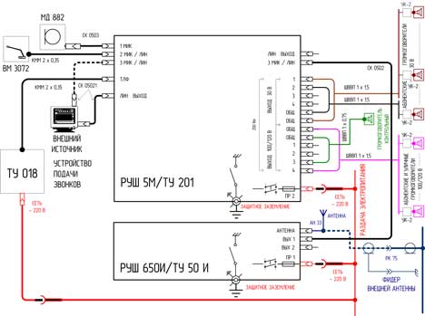
Схема общая. РУШ 5М/ТУ 201 в составе трансляционного радиоузла ТР 218 с возможностью подачи музыкальных звонков. Для увеличения и печати нажмите.
Определить место установки РУШ 5М/ТУ 201. Не допускается установка РУШ 5М/ТУ 201 вблизи источников тепла и сильных электромагнитных полей. Помещение, в котором предполагается разместить РУШ 5М/ТУ 201, должно быть оборудовано защитным заземлением и обеспечивать нормальный вентиляционный режим работы изделия. Категорически запрещается закрывать вентиляционные отверстия, предусмотренные в корпусе устройств.
Подсоединить клемму защитного заземления, расположенную на задней панели устройства, к контуру заземления (сопротивление защитного заземления не должно превышать 10 Ом).
Прежде чем включить оборудование, убедитесь, что оно заземлено. Это предотвратит риск электрического шока. Никогда не отключайте внутренний или внешний заземляющий провод.
Все что касается «защитного» заземления. Вопрос организации «правильного заземления» оборудования не менее важен.
Категорически не допускается подключение заземления на нулевую шину, расположенную в здании после счетчика (и даже до него). Это очень опасно по следующим причинам: в случае обрыва нулевого провода (в щитке, вводе, счетчике) фазное напряжение, пройдя через нагрузку (пусть даже одну лампочку), окажется на корпусах всех «заземленных» приборов и вызовет удар током при случайном прикосновении к корпусу. При этом никакие приборы не заработают из-за отсутствия тока через них (представьте, что будет, если зайти в темную ванну и коснуться корпуса стиральной машины). в случае переполюсовки проводов на вводе или в этажном щитке (особенно если провод старый без цветовой маркировки) все приборы будут нормально работать, но их корпуса будут напрямую соединены с фазой.
Если необходимо заземлить прибор, требующий этого, в старом здании, где старый двухпроводной ввод, необходимо от основного щита протянуть одножильный провод, который соединяется с нейтралью в этом щитке.
Категорически запрещается подключать заземление к водопроводным и газовым трубам, а также к экрану общей телевизионной антенны. Дело в том, что в старых постройках провода, соединяющие это хозяйство с заземлением, обычно находятся в ненадлежащем состоянии (плохой контакт, небольшое сечение и проч.).
Прежде всего следует подключить контрольный громкоговоритель к одной из клемм 30 В терминала подключения трансляционных линий, например к 3. Основные требования к нему см. в статье «Звуковой контроль в помещении радиоузла». Внимание! Подключаемая нагрузка (громкоговоритель) должна быть предназначена для работы в трансляционной сети напряжением 30 В.
Подключать громкоговорители (абонентские и фидерные линии) следует только при отключенном от сети РУШ 5М/ТУ 201! Суммарное комплексное сопротивление нагрузки для линии напряжением 120 В должно быть не менее 72 Ом, для линии 100 В — не менее 50 Ом, для линии 30 В — не менее 4,5 Ом — соответственно.
Вариант схемы подключения линий. Для увеличения - нажмите. Где
1 — выходные клеммы радиоузлов; 2 — вводные провода (отвод от абонентской линии к радиоточке); 3 — абонентские громкоговорители; 4 — абонентская линия; 5 — фидерная линия; 6 — понижающий фидерный трансформатор; 7 — коробки подключения (ограничитель); 8 — провод к контрольному громкоговорителю 9 — контрольный громкоговоритель.
В целях повышения безопасности рекомендуем каждый громкоговоритель подключать к трансляционной абонентской линии через коммутационную коробку УК-2П (ограничитель) с последовательно включенными резисторами 10 Ом 2 Вт - для линий с напряжением 100...120 В и резисторами 1 Ом - для линий 30 В.
Обязательно соблюдайте полярность при подключении громкоговорителей. При неправильной полярности происходит деградация звука и, как следствие, повреждение громкоговорителей.
Предполагается, что прокладка трансляционных линий уже произведена и их необходимо подключить к выходным клеммам РУШ 5М/ТУ 201. При одновременном использовании трансляционных линий напряжением 30 В, 100 В или 120 В следует обеспечить примерно одинаковое распределение мощности по каждой из указанных линий.
ВНИМАНИЕ! Запрещается подключение РУШ 5М/ТУ 201 к воздушным проводным, подвесным и подземным линиям кабельной связи без устройств защиты от атмосферных и коммутационных перенапряжений.
Если Вы подключаете РУШ 5М/ТУ 201 к существующим трансляционным линиям, то проведите проверку их качества. Как проверить старую проводку?
Очень просто:
Для проверки старой проводки надо собрать следующую схему «прозвонки»:

Схема «прозвонки» линий для проверки старой проводки
Для схемы проверки старой проводки в качестве понижающего трансформатора можно взять любой трансформатор от старого лампового телевизора (накальная обмотка) или аналогичный от блока питания на 30-50 Вт.
Убедиться «на слух» что каждая колонка, громкоговоритель, абонентское устройство гудит как трансформатор 50 Гц (также можно проверить все точки подключения одним громкоговорителем на новом объекте). Неисправный громкоговоритель заменить или отключить. Линии, не проводящие сигнал на заведомо исправный громкоговоритель следует заменить.
Не подключайте выходы РУШ 5М/ТУ 201 30/100/120 В параллельно или последовательно с другими усилительными выходами других устройств. Не подключайте выходы РУШ 5М/ТУ 201 к любым другим источникам напряжения – батареям, сети питания или блокам питания вне зависимости от того, включены РУШ 5М/ТУ 201 или нет. Не подключайте выходы РУШ 5М/ТУ 201 30/100/120 В напрямую ко входу другого усилительного устройства или усилителя без «буфферного» делителя.
Используйте только качественные кабели минимально возможной длины. Ни в коем случае не используйте экранированные кабели: микрофонные и т.д. Помните, что кабель отнимает мощность усилителя двумя путями:
Для того, чтобы ослабить влияние коротких замыканий в абонентских радиопроводках на работу всей радиотрансляционной сети, желательно каждую абонентскую точку снабжать ограничителем.
Ограничитель представляет собой устройство (резистор), пропускающее только такой ток, который необходим для нормальной работы громкоговорителя. В качестве Ограничителя, например, можно применить универсальную коробку (плинт), показанную на рисунке.

Унифицированная коробка (плинт).
Где:
a — вид сверху при снятой крышке;
б — вид снизу при снятой прокладке;
1 — корпус из пластмассы;
2 — отверстия для крепления коробки;
3 — контактные винты;
4 — перемычка из голого провода при использовании ограничительной коробки в качестве распределительной;
5 — то же в изоляционной трубке;
6 — выемки для резисторов при использовании коробки в качестве ограничителя.
Ограничитель устанавливается в самом начале абонентской проводки при ответвлении её от общей линии. При коротком замыкании или при случайном включении в радиорозетку электроприбора величина тока, потребляемого абонентской точкой, должна была бы резко увеличиться. Одновременно уменьшилась бы величина тока, поступающего к остальным абонентам и громкость передачи у них упала бы. Но ограничитель, не давая возможности пройти абонентскую проводку слишком большому току, облегчает этим последствия короткого замыкания.

Коробки универсальные УК-2р.
На рисунке показан вариант конструктивного исполнения коробки, применяемой в качестве Ограничителя, — коробка универсальная УК-2р (ТУ 6672-005-41485481-00 или ТУ 45-846е.0362.013).
Она предназначена для ответвления проводки от сети проводного вещания к абонентским устройствам и ограничения в ней величины тока короткого замыкания в аварийных ситуациях (УК-2Р с двумя резисторами 300 Ом, 0.5 Вт). Данная коробка может применяться только если нагрузкой является абонентское устройство (громкоговоритель) бытовой (0,25 Вт 30 В).
Для абонентских громкоговорителей большей мощности величина резистора будет меньше, но не менее 10 Ом.
Технические характеристики (ТУ 45-846е.0362.013):
Рон-2 коробка абонентская радиотрансляционная устанавливается на магистральном или другом направлении абонентской линии с возможностью подключения двух отдельных направлений радиотрансляционной сети внутридомовых проводов. В коробке РОН-2 установлены 4 резистора типа МЛТ-0,25 или МЛТ-0,5 сопротивлением 75 Ом или 240 Ом в зависимости от номинального значения напряжения в абонентской сети. Коробка Рон-2 является одновременно ограничительной и ответвительной.

Рон-2 коробка абонентская радиотрансляционная.
Технические характеристики РОН-2.
Очень важно! Не допускайте отсутствия коробок универсальных в сетях 100 и 120 В. Это может привести к выходу из строя трансляционных усилителей радиоузлов, особенно импорта.
Очень серъёзен вопрос организации электропитания.
РУШ 5М/ТУ 201 должны быть подсоединены только к тем источникам питания, которые описаны в указаниях по эксплуатации, либо согласно тому, что отмечено на устройстве. Электропитание РУШ 5М/ТУ 201 осуществляется от сети переменного тока напряжением 220 ± 22 В 4
Вроде — ничего сложного. Как правило, суммарная потребляемая мощность от электросети 220 В не превышает 300 Вт.
Казалось бы — достаточно существующих розеток электропитания в помещении радиоузла. В большинстве случаев — это так. Но, не всегда.

Розетки типа Schuko, в одну из них вставлена вилка шнура сетевого ШС 0502.
Желательно пойти по другому пути. Лучше провести отдельную линию для питания оборудования от основного «щитка электропитания». А на щитке установить отдельный «автомат».
Электропитание РУШ 5М/ТУ 201 осуществляется через шнур сетевой ШС 0502 с вилкой (Евростандарт). Стандартная распайка сетевого кабеля показана на рисунке.

Стандартная распайка сетевого кабеля.
У каждой розетки есть два или три контакта, подключённые к проводам. Контакты могут быть из стали или меди и могут быть гальванически покрыты цинком, оловом или никелем. В бытовой розетке обычно 3 контакта:
1 — Фазный провод (часто просто фаза) поставляет переменный ток от источника к нагрузке.
3 — Нулевой или нейтральный провод (Ноль, или нейтраль) соединён со средней точкой в схеме трёхфазного питания «звезда». В трёхфазной сети по нулевому проводу течёт значительно меньший ток, чем по линейному (в идеале — вообще не должен течь), но в однофазной сети (в том числе в квартирной проводке) токи в фазном и нейтральном проводах в исправной сети равны. Средняя точка обычно заземляется, но контакт нейтрального провода с нетоковедущими частями запрещён, так как при повреждении он через цепи прибора оказывается соединён с фазным проводом.
2 — Заземляющий контакт (если есть) соединяется с нетоковедущими частями прибора — например, с металлическим корпусом. Он служит в качестве второй, защитной, нейтрали для создания тока утечки на землю, чтобы сработали предохранители или автоматы при замыкании токоведущих частей на корпус. Также фильтры защиты от электромагнитных помех и бросков напряжения сбрасывают нежелательные электрические заряды через заземляющий провод.
Розетка в штепсельном соединении является источником электроэнергии, а вилка — приёмником, поэтому розетка является гнездовой частью разъёма, а вилка — штырьевой. Токоведущие части вилки открыты, когда вилка не вставлена в розетку, а значит на ней отсутствует напряжение сети. Однако если вилка вставлена не до конца, существует опасность прикосновения к токоведущим частям вилки при наличии на них напряжения сети. Чтобы избежать этого, либо розетка имеет заглубление, либо штыри вилки имеют изолирующее покрытие на половину длины от основания. Для нетоковедущего проводника — заземления — порядок может быть обратным, так как прикосновение к заземляющему проводнику безопасно. Не требуется для него и частичная изоляция.
Не повредите сетевой кабель и вилку (шнур сетевой). Они спроектированы для вашей безопасности. Если вилка сетевого шнура не подходит к вашей розетке, попросите консультации у соответствующего специалиста. Оградите сетевой кабель и вилку от физического воздействия, чтобы уменьшить риск электрического шока. Не ставьте на сетевой кабель тяжелых предметов, это может привести к электрическому шоку или пожару.
Шнур сетевой ШС 0502 (ДЛЭ4.465332.200.00 ТУ) представляет собой обычный стандартный сетевой кабель питания EURO 3х0.75 с заземлением и разъёмом C13, который обычно называют шнуром IEC (IEC cord).
Гнездовой разъём C13 на кабеле
Трёхпроводные, на 10 А. Многие стационарные персональные компьютеры, мониторы, принтеры и другие периферийные устройства имеют разъём C13, которым подключается сетевой шнур к блоку питания. На корпусе большинства компьютеров форм-фактора AT также есть розетка C13 для подключения монитора, подключённая через выключатель питания компьютера. С приходом форм-фактора ATX оперативное включение и выключение питания компьютера реализовано электронным способом и оперативный выключатель питания, разрывающий цепь переменного тока был либо исключён (в этом случае такой разъём просто напрямую соединялся с входным), либо заменён на запасной выключатель, занимающий место, которое прежде занимал этот разъём.
Трёхпроводной кабель с подходящей для определённой страны сетевой вилкой на одном конце и с розеткой C13 на другом обычно называют шнуром IEC (IEC cord). Шнуры IEC используются для питания многих видов электроприборов: например, усилителей для электронных музыкальных инструментов и профессионального звукового оборудования.
Сетевой шнур должен располагаться так чтобы была исключена возможность хождения по нему или установки поверх него предметов, обратите особое внимание на состояние шнуров и штекеров, удлинителей.
Фазу сетевого шнура определяем по предохранителю: она должна проходить через предохранитель.
Помните! Существующие электророзетки в школах почти всегда подключены случайно.
Форма неполяризованных разъёмов сетевых шнуров позволяет включить их в любой полярности, фазный контакт подключается произвольно. Неполяризованные вилки стараются применять для устройств, в которых приняты соответствующие меры защиты от поражения электрическим током: например, сдвоенные выключатели, двойная изоляция и т. д.
Неправильная разводка фазного и нейтрального проводников сводит на нет безопасность поляризованных розеток и вилок. Опасность состоит прежде всего в том, что смена полярности обычно не отражается на работе электроприбора и может проявиться только при его неисправности. Для проверки правильности подключения можно использовать пробник для розеток или неоновый индикатор фазного напряжения, который часто встраивается в отвёртки для электромонтажных работ. Кроме того, на нейтральном проводнике может оказаться значительный потенциал в случае его обрыва, который в некоторых случаях тоже может не быть замечен вовремя. Вне зависимости от того, поляризована вилка, или нет, ремонт электроприбора, включённого в розетку, производить небезопасно.
Электрический ток может стать причиной несчастных случаев, которые чаще всего происходят из-за несоблюдения людьми элементарных требований и правил техники безопасности. Действие электрического тока зависит от напряжения в сети и от сопротивления тела человека, которое может меняться в значительных пределах.
ПОМНИТЕ!
Cетевое напряжение 220 В безусловно опасно для жизни! Поэтому все работы по прокладке и подключению проводов и кабелей должны проводиться при полном отключении напряжения. Выполнять прокладку проводов и подключение их к сети имеет право только специалист-электрик.
Будет правильно, если перед включением РУШ 5М/ТУ 201 Вы приведёте все органы управления и коммутации в положение как на рисунке: регуляторы уровней в крайнее левое положение во избежание возможного повреждения громкоговорителей, выключатели выходных линий в левое положение.

Чтобы избежать любого громкого неожиданного шума из динамиков, сначала включите питание устройств – звуковых источников. Пример: Звуковой источник (внешнее устройство) > РУШ 5М/ТУ 201 При выключении питания звуковой системы, выполните действия в обратном порядке
Подготовку РУШ 5М/ТУ 201 к работе следует проводить в следующем порядке:
Назначение регуляторов:
Если все регуляторы и переключатели установлены:
то в контрольных громкоговорителях должен появиться соответствующий звуковой сигнал.
ВНИМАНИЕ! При возникновении короткого замыкания в любой трансляционной линии срабатывает схема защиты, отключающая РУШ 5М/ТУ 201 от всех выходов и тестирующая с частотой 0,5 - 1,0 Гц наличие короткого замыкания в линии. После отключения аварийной линии тумблером усилитель устройства автоматически восстанавливает прерванный режим работы.
Суммарная выходная мощность РУШ 5М/ТУ 201 по всем выходам не более 200 Вт. Во избежание перегрузки выходных трансляционных линий внимательно следите за входными сигналами!!! Срабатывание индикатора перегрузки вызывается повышенными входными сигналами, или неправильно выбранными параметрами нагрузки выходных трансляционных линий.
В процессе эксплуатации РУШ 5М/ТУ 201 не нуждается в дополнительных регулировках и настройках.
Для работы РУШ 5М/ТУ 201 от микрофонов необходимо:
Примечание: при работе от нескольких микрофонов следует:
Порядок работы РУШ 5М/ТУ 201 от внешнего источника или радиоприемника/CD-проигрывателя аналогичен описанному выше, за исключением выбора положения кнопочного переключателя МИК/ЛИН, которое должно в этом случае соответствовать положению ЛИН.
Отключите внешнюю нагрузку тумблерами подключения выходных линий 1 … 4
Регуляторы «ВХОДЫ» по каждому из сигнальных входов и регулятор «ВЫХОД» установить в крайнее левое положение.
Нажмите сетевой выключатель микшер-усилителя. Погаснет светодиодный индикатор. Микшер усилитель выключен.
Можно выключать (при необходимости) источники программ и компьютер.
Отсутствует питание. Убедитесь в правильности подключения микшер-усилителя к сети и исправной розетке (наличие в розетке 220 В). Проверте предохранитель. При его «обрыве» — замените его.
Звук внезапно прервался. При возникновении короткого замыкания в любой трансляционной линии срабатывает схема защиты, отключающая РУШ 5М/ТУ 201 от всех выходов и тестирующая с частотой 0,5 - 1,0 Гц наличие короткого замыкания в линии. После отключения аварийной линии тумблером усилитель устройства автоматически восстанавливает прерванный режим работы.
Нет звука. .Проверьте правильность подключения микрофонов, внешних устройств и нагрузки. Убедитесь, что регуляторы «ВХОДЫ» по каждому из сигнальных входов и регулятор «ВЫХОД» установлены на соответствующие уровни. Проверьте, не оборваны ли звуковые кабели. Если вышеприведенные меры не устранят проблему, вызовите специалиста.
Звук слабый, искаженный, или в нем много шума. Убедитесь, что регуляторы «ВХОДЫ» по каждому из сигнальных входов и регулятор «ВЫХОД» установлены на соответствующие уровни. Убедитесь, что входной сигнал от подключенного устройства (источника сигнала) установлен на соответствующий уровень.
Звук от контрольной акустики кажется тусклым. Вы хотите получить более яркий звук. Попробуйте откорректировать тембр звучания (регуляторы тембра НЧ и ВЧ).
Вы хотите, чтобы речь прослушивалась более четко. Попробуйте откорректировать тембр звучания (регуляторы тембра НЧ и ВЧ)
Для получения дополнительной информации присылайте запросы на почту производителя: 7403654@mail.ru или звоните по телефону техподдержки: 920 8948377.
Кликнешь на ссылку — поможешь проекту. А чего? Чай палец не отвалится-жешь, а глядишь — статьи будут чаще выходить. Спасибо!
Получить информацию о стоимости и условиях поставки трансляционного микшер-усилителя РУШ 5М, трансляционного устройства ТУ 201, школьного радиоузла на их основе ТР 218 РУ можно по запросу на адрес электронной почты 7403654@skbrastr.ru или по телефону +7 920 8948377.